74HC00
74HC00
RENESAS
74HC00 ST SOP
In Stock: 6124 pcs
, CMOS mantig'idagi taniqli guruh oilasi, to'rtta Nand darvozalarini bitta paketga, "LS-TTL" operatsion tezligi bilan mos keladigan silikon-darvoza texnologiyasini bir paketga birlashtiradi.Ushbu tezlik va samaradorlik aralashmasi elektrotatik oqindilarni himoya qilish uchun, 74HC00 raqamli va ishonchli tarkibiy qism sifatida joylashtirilishi mumkin.Siz shovqinni kuchaytirish va uning bir nechta tarmoq standart ekvivalentlari bilan mosligi uchun buferi izlanishlarini qadrlashingiz mumkin, uni innovatsion va mustahkam raqamli tizimlar yaratishda asos yaratadi.
Katalog
Bu 74hc000000To'rt Nand darvozasini o'z ichiga olgan holda, uning LS-TTL oilasi bilan mos kelishi uchun qayd etiladi.
Silikon-darve CMOS texnologiyasini ish bilan ta'minlaydi, u kam quvvat sarflanishiga e'tiborni qaratayotganda, tezkor tezlikda ishlaydi.Ushbu muvozanat sizga tezlikni, ham samaradorlikni, mohirlik bilan aks ettiradigan dizaynlarni rivojlantirish imkonini beradi.O'sishlar chiqishlari shovqinni kuchaytiradi, hatto qiyin signal muhitida ham barqaror o'yinlarga hissa qo'shadigan omil.
Uning o'nta ls-ttl yuklarini haydash qobiliyati, uni ko'plab signal chiqadigan mahsulotlar ishlab chiqaradigan tizimlarga moslashtiradi.
Ichki diodning qisilishi bilan jihozlangan, u elektrostatik oqim bilan bog'liq xavflarni minimallashtiradi.Ushbu xususiyat uning uzoq muddatli ishonchlilikni izlashda donolikni aks ettiruvchi komponentning uzoq umrini oshirishdagi rolini ta'kidlaydi.
Almashtirish va ekvivalentlar:
•
CD4011
CD4011
I-CORE
701
In Stock: 25220 pcs
• Mc54hc00aJD
• M74hc00m1
• SN54ls00
• SN74HCT00DTE4
• 74hct132d
• 74hct0000

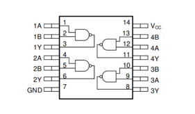
1, 2, 4, 5, 9, 10, 13, 13: Ma'lumot kiritish
Ushbu pinlar chip ichidagi nand geytsining mantiqiy operatsiyalarini boshqaradigan kirish signallarini olish uchun asoslanadi.Ushbu kirishlarni ta'minlash, boshqaruv va oldindan aytib bo'lmaydiganlikni aks ettiruvchi beg'araz aylanishning oldini olish, beg'araz ayishqoq tutilishdan xoli.
• 3, 6, 8, 11-oraliq
Chiqish kabi harakat qilish, ushbu pinlar Nand-darvoza hisobvarag'i natijalarini etkazadi.Ular turli raqamli mantig'i inshootlarida foydalanish mumkin, ular birgalikda murakkab mantiqiy naqshlar.Bir necha marquyuq moddalar bitta mahsulotga ulanganda, potentsial yuklash effektlari murakkab munosabatlarda zarur bo'lgan nozik muvozanatda ishora qiladi.
• 7-PIN 7: GND)
Ushbu pin kuchlanish uchun barqaror ma'lumot berish nuqtasini ta'minlash uchun tizim maydoniga ulanadi.Minimumni minimallashtirish va ravshanlik, buzilishlarni tabiiy ta'qib qilish bilan barqaror aloqa o'rnating.
• 14-PIN-kod: Ijobiy quvvat manbai (VCC)
To'g'ri kuchlanishni ushbu PIN-kod bilan boqish qurilmaning ishlashini qo'llab-quvvatlaydi.Ko'rsatilgan diapazonda saqlanib, uzoq umr ko'rish va samaradorlikni oshirib, elektr pinlari yaqinidagi kamchiliklar mavjudligini kuchaytiradi, bu hayotning murakkabligini boshqarish uchun operatsiyani sezilarli darajada barqarorlashtiradi.
74HC00
74HC00
RENESAS
74HC00 ST SOP
In Stock: 6124 pcs
to'rtta mustaqil Nand Geyts kompaniyasi bilan kuch samaradorligiga e'tiborni jalb etadigan, sizni raqamli mikrmal tumanlarda ishonchli ishlashi bilan jalb qiladi.Uning ta'sirchan shovqinlari barqaror dasturlarga qo'shadi, bu esa yuqori darajadagi loyihalarni amalga oshirishga chaqiradi.DII va SOIC formatida mavjud, u turli xil dizayn talablariga javob beradi va PCB moslashuvchan parametrlarini taklif etadi.
74hc00ning moslashuvchanligi uni keng doiradagi konfiguratsiya va murakkab tizimlarga moslashtirishga imkon beradi.Siz uning mustahkam kirish / chiqish qobiliyatini qadrlashingiz mumkin, ular kompleks kompleks kompleks komplekslarni ishlab chiqarish uchun foydali deb bilishingiz mumkin.
Turli xil sharoitlarda faoliyat olib borish qobiliyati 74HC00 ta'lim va prototiplarni rivojlantirishga yordam beradi.Tuman murakkabligi oshishiga mos keladigan qulaylik sizni ishlashni qurbon qilmasdan yangi innovatsiyalarni o'rganishga ilhomlantiradi.
Ishlab chiqaruvchi umumiy nuqtai nazar
Texas asboblari uning sadoqati uchun ishonchli va yerli okrugda o'tkazilgan mahsulotlarni yaratishga bag'ishlangan obro'ga sazovor bo'ldi.Texas cholg'ulari tarkibiy qismlari, Texas cholg'ulari komponentlari o'zlarini elektronika sanoatida samarali rolini namoyish etadigan ko'plab dasturlarning markazida bo'lishlari bilan.
Jismoniy o'lchovlar
8.65mm x 3.91mm x 1,58mm,
74HC00
74HC00
RENESAS
74HC00 ST SOP
In Stock: 6124 pcs
ixcham muhit uchun yaroqli dizaynga ega.Ushbu o'lchamlar turli xil ayirboshlash kengashlariga integratsiyani soddalashtiradi, bu cheklangan joyni qurilmaning ajoyib imkoniyatlarini buzmasdan amalga oshirishga imkon beradi.
Elektr xususiyatlari
2-dan 6V gacha bo'lgan kuchlanishni 2V dan 6v gacha tejash va yuqori raqamli mikrmal kontaktlarning keng spektriga mosligini ta'minlash.Ushbu kuchlanish diapazoni ko'p qirrali dasturlarni qo'llab-quvvatlaydi, 74Hc00 ga o'zgaruvchan muhitga nisbatan o'zgaruvchan talablarga moslashtiradigan 74hc00 ni qo'llab-quvvatlaydi.
Harorat va atrof-muhit sharoitlari
-40 ° C va 85 ° C orasidagi samarali foydalanish, qurilma turli iqlim va sanoat sharoitlariga gullab-yashnash uchun mo'ljallangan.Uning haroratga qarshi chidamliligi uni iste'molchilar elektronikasi va sanoat dasturlari uchun afzal ko'rgan tanlovga aylantiradi, bu erda atrof-muhitning o'zgaruvchanligi berilgan.
Ishlash ko'rsatkichlari
23 Nanosekundni ko'paytirishni taklif qilish, tezyurar mantiqiy funktsiyalar uchun zarur bo'lgan samaradorlikni qayta ishlash samaradorligini qayta ishlash samaradorligi bo'yicha ekspleyi.Ushbu tezkor ishlash raqamli signallarni boshqarish va aloqa tizimlari kabi raqamli signallarni boshqarish va aloqa tizimlari kabi imtiyozlar uchun foydali bo'ladi.
Tarkibiy kompozitsiya
Qurilmada, murakkab mantiq dizayni uchun jiddiy funktsional imkoniyatlarni ta'minlaydigan 4 ta darvozani, Nand mantiqiy operatsiyalarni o'z ichiga oladi.Ushbu konfiguratsiya tizimlar ichida tezkor va ishonchli ishlov berishni ta'minlash uchun mantiqiy operatsiyalarni samarali bajarish uchun bajarilishi kerak bo'lgan foyda keltiradi.
Tasniflash
Mantiqiy darvozabon sifatida 74HC00 raqamli demulyatsiyalarni yaratishda birlamchi komponent bo'lib xizmat qiladi.Siz ushbu elementlardan kompleks raqamli tizimlarni qurish uchun foydalanishingiz mumkin, shu bilan hisoblash va qayta ishlash imkoniyatlarini innovatsion usulda takomillashtirish.
74HC00
74HC00
RENESAS
74HC00 ST SOP
In Stock: 6124 pcs
bitta alohida Nand Geytsni, har biri ikkita kirishga olib keladi.Operatsiya batafsil haqiqat jadvaliga bog'liq.Xususan, agar mahsulot yuqori bo'lsa, chiqarilishi faqat pastga tushadi.Aks holda, natija yuqori darajadagi birlamchi element bo'lib qoladi, bu raqamli mantiqiy dizaynning asosiy tarkibiy qismidir.
Ijobiy munosabat ushbu darvozalar orqali barqarorlikka unchalik ta'sir qiladi.Har bir darvoza o'z mahsulotlarini qayta ishlamoqda, fikr-mulohaza barqaror ishlab chiqarish holatini kuchaytirishga xizmat qiladi, izchil ishlashni qo'llab-quvvatlaydi.Ushbu muvozanat eshikning reaktsiyalarini kirish qiymatlari bilan uyg'unlashtirish orqali erishiladi.Siz ishonchli ko'rinishga ega bo'lishining tiklanish qatlamini ochib, ishonchli mantiqiy davlatlarni talab qiladigan ansambli ansamblni kuchaytirish uchun ushbu sohaga teging.
Nand Geyts tarkibidagi kirish-ishlab chiqarish dinamikasining nozikligini tushunish, munozaralar oqimlar dizayni uchun potentsialni kuchaytiradi.Ommaviy dasturlar - bu floplarni qurish va masalan, yoki operatsiya qilinmagan mantiqiy vazifalarni bajarishni o'z ichiga oladi.Ushbu tahdidlanish ularning murakkab hisoblash mexanizmlariga to'g'ri boshqarish mexanizmlaridan kelib chiqqan holda kontekstlarning spektrli spektrofida qabul qilishni ta'kidlaydi.
74HC00 keng foydaliligi to'g'risida mulohaza yuritishi, uning ishonchli ishlashi maishiy elektronikalarni sanoatni avtomatlashtirishga jalb qilish sohalarida dolzarbligini topadi.Ushbu eshiklarni Turli mantiqiy doirada tartibga solish uchun kuch katta ijodiy erkinlik, innovatsiyani rag'batlantirish.Nan Geytsning asosiy printsiplari noyob texnologik to'siqlar uchun moslashtirilgan echimlarni ilhomlantiradi.
74HC00
74HC00
RENESAS
74HC00 ST SOP
In Stock: 6124 pcs
- bu juda nozik Nand-ning to'rt qismini kiritish.Bu amaliylik va texnologik murakkablikni uyg'otadi.
Xususiyatlari
• keng kuchlanish oralig'ida ishlaydi
• Tez tarqalishning kechikishini ko'rsatadi
• Yuqori tezlikda va kam quvvatli operatsiyalar uchun javob beradi
Elektr xususiyatlari
• Jelikani va hozirgi: ushbu komponent voltajning kengligi, dizayn ehtiyojlarining xilma-xilligini ta'minlash.
• Harorat doirasi: turli xil ekologik sharoitlarga moslashish imkonini beradigan turli xil harorat sozlamalarida ishonchli harakat qiladi.
Arizalar
Umumiy foydalanish Foydalanuvchilar: Bu ko'pchilik raqamli tumanlardagi joy topadi, bu har kungi vazifalardan inoyat bilan kompleks dasturlarga bo'lgan ehtiyojlarni qondirish ehtiyojlarini qondiradi.
• Muayyan dasturlar: Iste'mol elektronikasidan sanoat mexanizmlariga 74Hc00 har bir dasturda yordamchini namoyon qiladi.
74HC00
74HC00
RENESAS
74HC00 ST SOP
In Stock: 6124 pcs
ChIP o'zining keng spektrli ko'rsatkichlari tufayli turli xil elektron kontekstda ko'rinadigan ajoyib moslashuvchanlikni namoyish etadi.
Buferlash va haydash
74hc00 bufer yoki haydovchi sifatida, bufer yoki drayver sifatida ishlaydi, tumanlar davomida chambarchas bog'liqlik.Voltaj tomchilarini minimallashtirish va signallarning emirilishini kamaytirish orqali u komponentlar o'rtasida izchil aloqa o'rnatadi.Qo'lda bo'lgan elektronikada 74hc00 ish bilan bufer sifatida bir nechta LED loyihalarida tez-tez olib boriladigan tez-tez olib boriladigan tez-tez tez-tez olib boriladigan va eri modullarni faollashtirish uchun mikrokontrollerning imkoniyatlarini kuchaytirishi mumkin.
Mantiqiy operatsiyalar
Ushbu chip murakkab tizimlar yadrosini shakllantiradigan Nand Geyts kabi mantiqiy operatsiyalarga imkon beradi.Uning turli mantiqiy tanguallarga nisbatan kuchsiz integratsiya uning foydalanish qobiliyatini ta'kidlaydi.Raqamli dizaynda nand-larni jalb qilish Siz kamroq tarkibiy qismlarga ega bo'lgan murakkab mantiqiy tonnalarni qurish, ikkalasi ham arzonlashuvchanlik va ixchamlikni oshirish.
O'rnatilgan tizimlar integratsiyasi
O'rnatilgan tizimlar ichida 74HC00 oqim funktsiyalarini mikrokontroller tashabbuslari doirasidagi mantiqiy funktsiyalarni yo'naltirish orqali.
Ko'plab iot qurilmalari shartli tekshiruvlarni bajarish va periferik asboblarni boshqarish, faollashtirish tizimining javob va ishonchlilik tizimini boshqarish.
Raqamni o'zgartirish
74hc00 yillardagi konversiyada samarali rolni, turli davrlar orasida signal darajasini o'zgartirishga xizmat qiladi.Bu turli xil kuchlanish reytinglari bo'lgan tarkibiy qismlarni almashtirishni osonlashtiradi.5v mikrokontrollerni 3,3V sensoriga bog'lab, 5v mikrokontrolchini 3,3vl sensoriga bog'lash, 74HC00 aniq ma'lumot almashishini ta'minlaydi.
Vaqt va nazorat sekumalari
Chipda shuningdek, ketma-ketlikdagi vazifalarni muvofiqlashtirish, ularni kechiktirish va kechikish chizig'i kabi dasturlarni kuchaytirishda yordam berish, shuningdek, ularni kechiktirishlar va pulse-ni yaratish vositalarida yordam beradi.74HC00 bilan o'lchash vaqtini qayta ishlash, sinxron aloqa tizimlari kabi belgilangan vazifalarni aniqlab, diqqatni ehtiyotkorlik bilan boshqarish orqali sodiqlikni himoya qilish.
Ikkilik taqqoslash uchun raqamli qiyos
74HC00 funktsiyalari ikkilik taqqoslash uchun raqamli qiyosiy taqqoslash, raqamli ramkalar doirasida qarorlar qabul qilish uchun ideal.Ikkilik raqamlar o'rtasidagi tenglik yoki tafovutni tushunadi.Ikkilik taqqoslash uchun 74HC00 ish bilan ta'minlash turli raqamli protokollarda asosiy raqamli protokollarda filiallar bo'yicha qarorlarni amalga oshirish uchun samarali yo'nalishni ta'minlaydi.
74hc00 ma'lumotlar jadvallari:
74hc00 tafsilotlari pdfFR.PDF uchun 74hc00 batafsil ma'lumotlariKR.PDF uchun 74hc00 batafsil ma'lumotlari74hc00 tafsilotlari IT.PDF uchun pdfES.PDF uchun 74hc00 batafsil ma'lumotlari
1. 74hc00 funksionalligi nima?
74HC00 6,0V dan 6,0V gacha bo'lgan to'rtta mustaqil 2 ta varaqli Nand Geytsni o'z ichiga oladi.Raqamli mantiqiy tizimlarga xizmat ko'rsatadigan, bu ichki raqamli arxitekturalarning orqa mitti hosil bo'lgan mantiqiy operatsiyalarni shakllantirishga imkon beradi.
2. 74ls00 tarkibida qancha NAT Geyts bormi?
74LS00 har biri ikkita kirish va yakka ishlab chiqarish bilan ishlab chiqilgan to'rtta nand darvozasi to'plamini o'z ichiga oladi.Ushbu konfiguratsiya raqamli elektronika bo'limlarini ishlab chiqishda keng tarqalgan tanlovdir.
3. 74HC00 74HC00-ni nima ajratadi?
Asosiy farq bu ularning kuchlanish moslashuvchanligi.74HC00 2V dan 6V gacha bo'lgan aktsiyalar, 74ln esa 5V quvvatga ega.Tanlash ko'pincha ariza ehtiyojlari va atrof-muhit omillariga bog'liq.
4. 74Hc seriyasini tavsiflay olasizmi?
74HC seriyasida tezyurar CMOS integratsiyalangan tsikk materiallarini ishlab chiqaradi, ttl mos keladigan tezlikni quvvatlantiradigan tezlikni pasaytiradi.Ularning 74LS seriyali pIN-pIN-ga muvofiqligi osonlashish va mavjud tumanlarda almashtirish imkonini beradi.
5. 74HC00 dasturlari qanday?
Raqamli ohangda 74HC00 - bu NATning mantiqiy darvozasi insizarizatsiya va murakkab mantiqiy harakatlar uchun talab qilinadi.Uning moslashuvchanligi uni o'quv kontekstlari va professional elektron korxonalarda muhim aktivga aylantiradi.
Ushbu xabarni baham ko'ring